каталог товаров
СОБЕРИЗАВОД

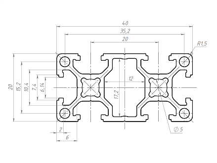
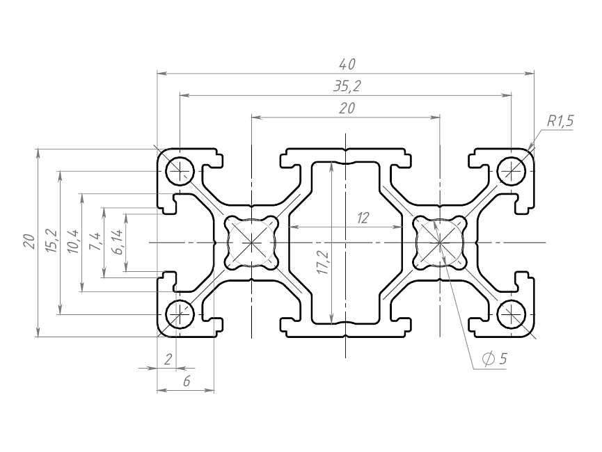
Профиль конструкционный 20х40 (Ан. серебро) Арт. 224

технические характеристики
Длина профиля: 6020 мм
Паз: 6
Серия: 20
Масса: 0,68 кг / м
Материал: AlMgSi 6060 Т6
Покрытие: анодирование
Площадь сечения профиля: 2.51 см2
Момент инерции, (Ix): 1.06 см4
Момент инерции, (Iy): 3.97 см4
Момент сопротивления, (Wx): 1.06 см3
Момент сопротивления, (Wy): 1.98 см3
Резьба в центральном канале: M6
Резьба в угловых каналах: M4
Аналог Item: 0.0.448.08
Аналог Kanya: D01–7
Аналог Bosh: 3842992891
Стоимость 1 реза в размер: 30 р

Описание товара

Алюминиевый профиль 20 серии с пазом 6 мм применяется для простых конструкций воспринимающих средние нагрузки. Также широко используется для создания выставочных стендов, легких дверей и перегородок, защитных ограждений, небольших лабораторных приборов и других конструкций. Профиль конструкционный 20х20 отлично подойдет для домашних конструкций.
Профиль изготовлен по стандартам
ГОСТ 22233-2025