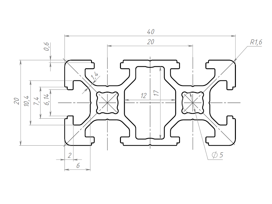
Профиль конструкционный 20х40H (Без покрытия) Арт. 224HX
технические характеристики
| Длина профиля: | 6020 мм |
| Паз: | 6 |
| Серия: | 20 |
| Масса: | 0,795 кг / м |
| Материал: | AlMgSi 6060 Т6 |
| Покрытие: | без покрытия |
| Площадь сечения профиля: | 2.94 см2 |
| Момент инерции, (Ix): | 1.27 см4 |
| Момент инерции, (Iy): | 4.98 см4 |
| Момент сопротивления, (Wx): | 1.27 см3 |
| Момент сопротивления, (Wy): | 2.49 см3 |
| Резьба в центральном канале: | M6 |
| Аналог Item: | 0.0.448.08 |
| Аналог Kanya: | D01–7 |
| Аналог Bosh: | 3842992891 |
| Стоимость 1 реза в размер: | 30 р |
Описание товара
Алюминиевый профиль 20 серии с пазом 6 мм применяется для простых конструкций воспринимающих средние нагрузки. Также широко используется для создания выставочных стендов, легких дверей и перегородок, защитных ограждений, небольших лабораторных приборов и других конструкций. Профиль конструкционный 20х20L отлично подойдет для домашних конструкций.
Профиль изготовлен по стандартам
ГОСТ 22233-2025
Профиль изготовлен по стандартам
ГОСТ 22233-2025