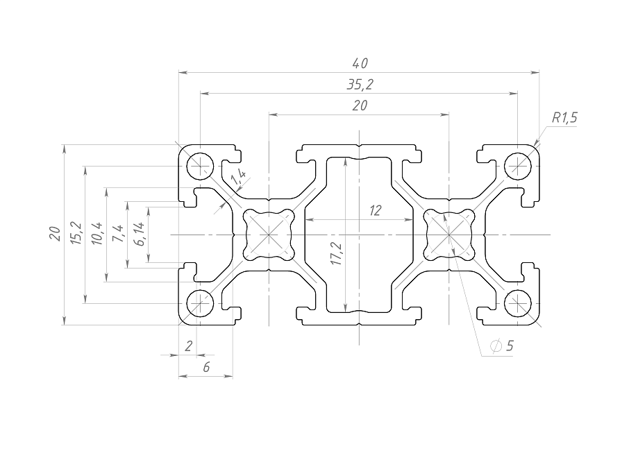
Профиль конструкционный 20х40 (Без покрытия) Арт. 224X
технические характеристики
| Длина профиля: | 6020 мм |
| Паз: | 6 |
| Серия: | 20 |
| Масса: | 0,68 кг / м |
| Материал: | AlMgSi 6060 Т6 |
| Покрытие: | без покрытия |
| Площадь сечения профиля: | 2,51 см2 |
| Момент инерции, (Ix): | 1.06 см4 |
| Момент инерции, (Iy): | 3.97 см4 |
| Момент сопротивления, (Wx): | 1.06 см3 |
| Момент сопротивления, (Wy): | 1.98 см3 |
| Резьба в центральном канале: | M6 |
| Резьба в угловых каналах: | M4 |
| Аналог Item: | 0.0.448.08 |
| Аналог Kanya: | D01–7 |
| Аналог Bosh: | 3842992891 |
| Стоимость 1 реза в размер: | 30 р |
Описание товара
Алюминиевый профиль 20 серии с пазом 6 мм применяется для простых конструкций воспринимающих средние нагрузки. Также широко используется для создания выставочных стендов, легких дверей и перегородок, защитных ограждений, небольших лабораторных приборов и других конструкций. Профиль конструкционный 20х40 отлично подойдет для домашних конструкций.
Профиль изготовлен по стандартам
ГОСТ 22233-2025
Профиль изготовлен по стандартам
ГОСТ 22233-2025