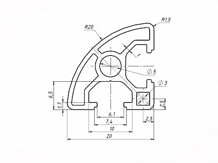
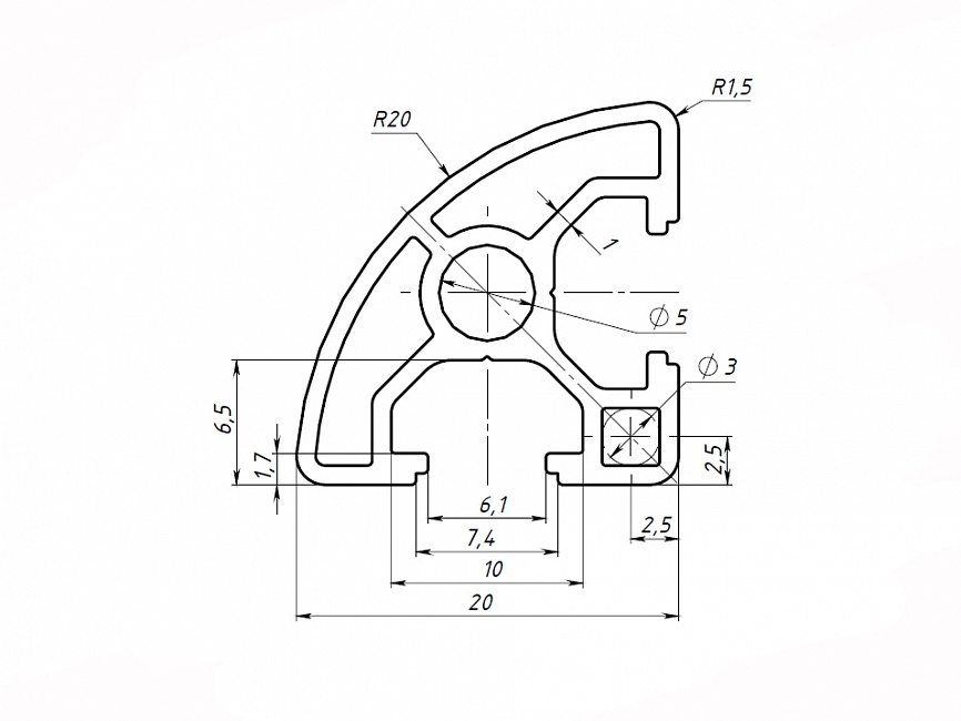
Профиль конструкционный 20х20R (Без покрытия) Арт. 222RX
технические характеристики
| Длина профиля: | 5020 мм |
| Паз: | 6 |
| Серия: | 20 |
| Масса: | 0,29 кг / м |
| Материал: | AlMgSi 6060 Т6 |
| Покрытие: | без покрытия |
| Площадь сечения профиля: | 1.08 см2 |
| Момент инерции, (Ix): | 0.37 см4 |
| Момент инерции, (Iy): | 0.37 см4 |
| Момент сопротивления, (Wx): | 0,37 см3 |
| Момент сопротивления, (Wy): | 0,37 см3 |
| Резьба в центральном канале: | M6 |
| Резьба в угловых каналах: | M4 |
| Аналог Kanya: | D03–8 |
| Аналог Bosh: | 3842548742 |
| Стоимость 1 реза в размер: | 20 р |
Описание товара
Алюминиевый профиль 20 серии с пазом 6 мм применяется для простых конструкций воспринимающих средние нагрузки. Также широко используется для создания выставочных стендов, легких дверей и перегородок, защитных ограждений, небольших лабораторных приборов и других конструкций. Профиль конструкционный 20х20R отлично подойдет для домашних конструкций.
Профиль изготовлен по стандартам
ГОСТ 22233-2025
Профиль изготовлен по стандартам
ГОСТ 22233-2025