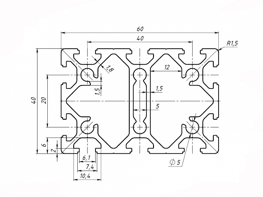
Профиль конструкционный 20.40х60SH (Без покрытия) Арт. 246SHX
технические характеристики
| Длина профиля: | 6020 мм |
| Паз: | 6 |
| Серия: | 20 |
| Масса: | 1,9 кг / м |
| Материал: | AlMgSi 6060 Т6 |
| Покрытие: | без покрытия |
| Площадь сечения профиля: | 7.04 см2 |
| Момент инерции, (Ix): | 13.2 см4 |
| Момент инерции, (Iy): | 26.7 см4 |
| Момент сопротивления, (Wx): | 6,60 см3 |
| Момент сопротивления, (Wy): | 8,90 см3 |
| Резьба в центральном канале: | M6 |
| Аналог Item: | 0.0.448.12 |
| Стоимость 1 реза в размер: | 50 р |
Описание товара
Алюминиевый профиль 20 серии с Т пазом 6 мм применяется для простых конструкций воспринимающих средние нагрузки. Также широко используется для создания выставочных стендов, легких дверей и перегородок, защитных ограждений, небольших лабораторных приборов и других конструкций. Профиль конструкционный 20.40х60 отлично подойдет для домашних конструкций. Не рекомендуется использовать Т-гайки A128, A129, A130.
Профиль изготовлен по стандартам
ГОСТ 22233-2025
Профиль изготовлен по стандартам
ГОСТ 22233-2025