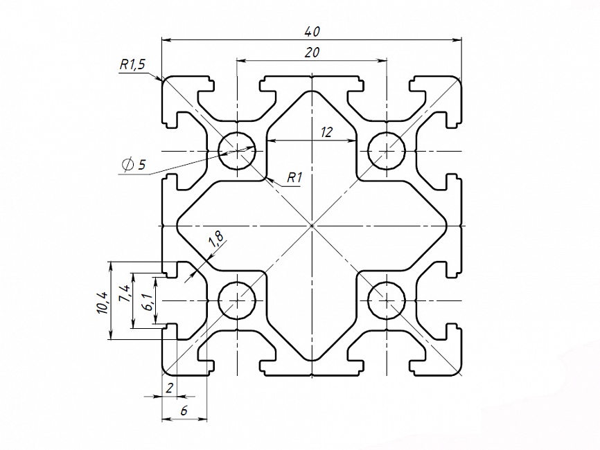
Профиль конструкционный 20.40х40SH (Без покрытия) Арт. 244SHX
технические характеристики
| Длина профиля: | 6020 мм |
| Паз: | 6 |
| Серия: | 20 |
| Масса: | 1,41 кг / м |
| Материал: | AlMgSi 6060 Т6 |
| Покрытие: | без покрытия |
| Площадь сечения профиля: | 5.21 см2 |
| Момент инерции, (Ix): | 9.3 см4 |
| Момент инерции, (Iy): | 9.3 см4 |
| Момент сопротивления, (Wx): | 4,65 см3 |
| Момент сопротивления, (Wy): | 4,65 см3 |
| Резьба в центральном канале: | M6 |
| Аналог Item: | 0.0.448.09 |
| Аналог Bosh: | 3842537816 |
| Стоимость 1 реза в размер: | 40 р |
Описание товара
Алюминиевый профиль 20 серии с Т-пазом 6 мм применяется для конструкций воспринимающих средние и большие нагрузки, так как профиль утяжелен и имеет толстые стенки.Также широко используется для создания выставочных стендов, легких дверей и перегородок, защитных ограждений, небольших лабораторных приборов и других конструкций. Профиль конструкционный 20.40х40SH отлично подойдет для домашних конструкций. Не рекомендуется использовать Т-гайки A128, A129, A130.
Профиль изготовлен по стандартам
ГОСТ 22233-2025
Профиль изготовлен по стандартам
ГОСТ 22233-2025