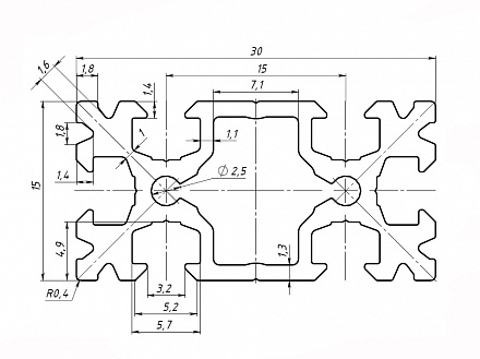
Профиль конструкционный 15х30 (Без покрытия) Арт. 113X
технические характеристики
| Длина профиля: | 5020 мм |
| Паз: | 3 |
| Серия: | 15 |
| Масса: | 0,478 кг / м |
| Материал: | AlMgSi 6060 Т6 |
| Покрытие: | без покрытия |
| Площадь сечения профиля: | 1.77 см2 |
| Момент инерции, (Ix): | 0.41 см4 |
| Момент инерции, (Iy): | 1.68 см4 |
| Момент сопротивления, (Wx): | 0,55 см3 |
| Момент сопротивления, (Wy): | 1,12 см3 |
| Стоимость 1 реза в размер: | 25 р |
Описание товара
Алюминиевый профиль серии 15 с пазом 3 мм, применяется для создания макетов машин, лабораторных и выставочных стендов. Благодаря небольшим внешним размерам и большому набору соединительных пластин, из профиля можно сконструировать компактные приспособления и реализовать любую Вашу задумку. В паз профиля, становиться шестигранная гайка и головка шестигранного болта, благодаря этому снижается стоимость крепежа, а благодаря мощным центральным каналам, в них можно нарезать резьбу М3.
Мы готовы выполнить дополнительную обработку, а именно фрезеровку, сверление или покраску согласно предоставленным вами чертежам и техническим заданиям.
Профиль изготовлен по стандартам
ГОСТ 22233-2025
Мы готовы выполнить дополнительную обработку, а именно фрезеровку, сверление или покраску согласно предоставленным вами чертежам и техническим заданиям.
Профиль изготовлен по стандартам
ГОСТ 22233-2025