каталог товаров
СОБЕРИЗАВОД

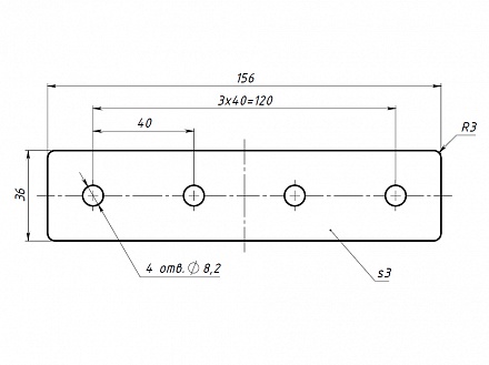
Cоединитель 40x160, паз 10, A443 Арт. A443

штука
технические характеристики
Паз: 10
Серия: 40
Масса: 0,118 кг / шт
Материал: сталь 3 мм
Покрытие: порошковая окраска

Описание товара

Предназначен для соединения алюминиевых конструкционных профилей.