каталог товаров
СОБЕРИЗАВОД

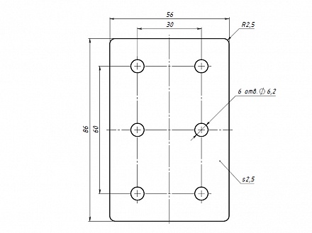
Соединитель 60х90, паз 8, C34 Арт. C34

штука
технические характеристики
Паз: 8
Серия: 30
Масса: 0,110 кг / шт
Материал: сталь 2.5 мм
Покрытие: порошковая окраска

Описание товара

Предназначен для соединения алюминиевых конструкционных профилей.