каталог товаров
СОБЕРИЗАВОД

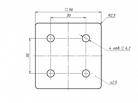
Соединитель 60х60, паз 8, C40 Арт. C40

штука
технические характеристики
Паз: 8
Серия: 30
Масса: 0,071 кг / шт
Материал: сталь 2.5 мм
Покрытие: порошковая окраска

Описание товара

Предназначен для соединения алюминиевых конструкционных профилей.