каталог товаров
СОБЕРИЗАВОД

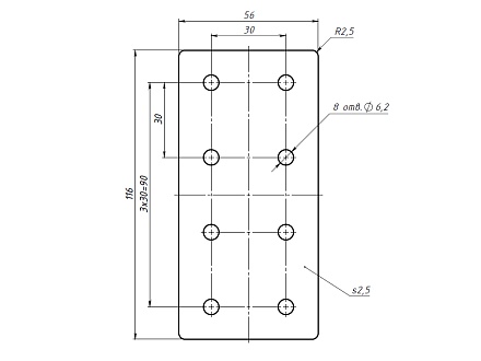
Соединитель 60х120 (черный), паз 8, A836 Арт. A836

штука
технические характеристики
Паз: 8
Серия: 30
Масса: 0,120 кг / шт
Материал: сталь 3 мм
Покрытие: порошковая окраска

Описание товара

Предназначен для соединения алюминиевых конструкционных профилей.