каталог товаров
СОБЕРИЗАВОД

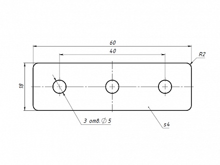
Соединитель алюминиевый 20х60X, паз 6, A154 Арт. A154

штука
технические характеристики
Паз: 6
Серия: 20
Масса: 0,011 кг / шт
Материал: алюминий 4 мм
Покрытие: порошковая окраска

Описание товара

Предназначен для соединения алюминиевых конструкционных профилей.