каталог товаров
СОБЕРИЗАВОД

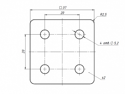
Соединитель 40х40, паз 6, M48 Арт. M48

штука
технические характеристики
Паз: 6
Серия: 20
Масса: 0,021 кг / шт
Материал: сталь 2 мм
Покрытие: порошковая окраска

Описание товара

Предназначен для соединения алюминиевых конструкционных профилей.