каталог товаров
СОБЕРИЗАВОД

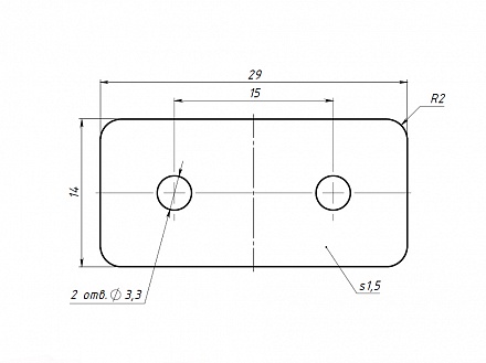
Соединитель 15х30, паз 3, S05 Арт. S05

штука
технические характеристики
Паз: 3
Серия: 15
Масса: 0,005 кг / шт
Материал: сталь 1.5 мм
Покрытие: порошковая окраска

Описание товара

Предназначен для соединения алюминиевых конструкционных профилей.