каталог товаров
СОБЕРИЗАВОД

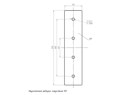
Соединитель 60x240, паз 10, A58 Арт. A58

штука
технические характеристики
Паз: 10
Серия: 60
Масса: 0,403 кг / шт
Материал: сталь 4 мм
Покрытие: порошковая окраска

Описание товара

Cоединитель 60x240 предназначен для углового соединения алюминиевых конструкционных профилей серии 60 под углом 90 градусов.