Профиль алюминиевый (уголок) 35х35х4 (Ан. серебро) Арт. 3535S4
технические характеристики
| Длина профиля: | 5800 мм |
| Паз: | - |
| Серия: | - |
| Масса: | 0,8750 кг / м |
| Материал: | AlMgSi 6060 Т6 |
| Покрытие: | анодирование |
| Площадь сечения профиля: | 3,26 см2 |
| Момент инерции, (Ix): | 3,06 см4 |
| Момент инерции, (Iy): | 3,06 см4 |
| Момент сопротивления, (Wx): | 3,06 см3 |
| Момент сопротивления, (Wy): | 3,06 см3 |
| Стоимость 1 реза в размер: | 35 р |
Описание товара
Угловой алюминиевый профиль для строительства и монтажа, качественный и прочный. Устойчив к коррозии. Используется для соединения конструкционного профиля под углом 90°, а также можно соединять угловой профиль между собой, для получения желаемого результата. Благодаря длине 5800 мм., имеется возможность произвести уголок с нестандартной длиной. Безопасный и легкий материал для функциональных и красивых проектов. Доступная цена и долговечность делают его отличным выбором.
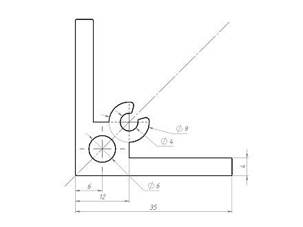
Центральный канал позволяет нарезать резьбу для надежного крепления листовых материалов к торцу профиля.
При необходимости создания отверстий или резьбы - просьба присылать чертежи на нашу почту.
Профиль изготовлен по стандартам
ГОСТ 22233-2025
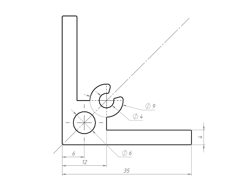
Центральный канал позволяет нарезать резьбу для надежного крепления листовых материалов к торцу профиля.
При необходимости создания отверстий или резьбы - просьба присылать чертежи на нашу почту.
Профиль изготовлен по стандартам
ГОСТ 22233-2025