каталог товаров
СОБЕРИЗАВОД

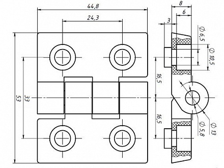
Петля пластиковая 30, E20 Арт. E20

штука
технические характеристики
Паз: 8
Серия: 30
Масса: 0,028 кг / шт
Материал: ABS-пластик

Описание товара

   Используются для навески дверей, лючков в модульной системе алюминиевых конструкционных станочных профилей.