каталог товаров
СОБЕРИЗАВОД

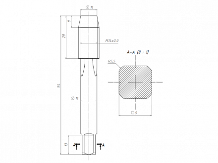
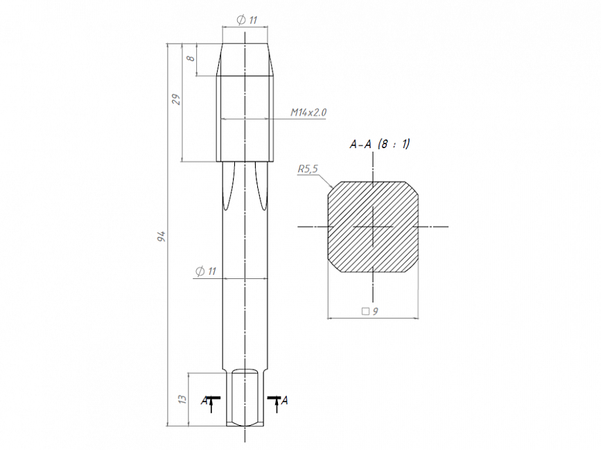
Метчик однопроходный спиральный М14, A499 Арт. A499

штука
технические характеристики
Масса: 0,067 кг / шт
Материал: сталь
Покрытие: цинк
Резьба: M14
Шаг: 2 мм

Описание товара

Метчик однопроходный спиральный М14 используется для нарезания сквозной внутренней резьбы на металлических заготовках. Представляет собой стержень с прорезанными стружечными канавками, которые образуют режущие кромки. Достоинством ручного метчика является возможность нарезания резьбы в деталях, уже установленных на какой-либо конструкции. Размер: М14х2 мм.