каталог товаров
СОБЕРИЗАВОД

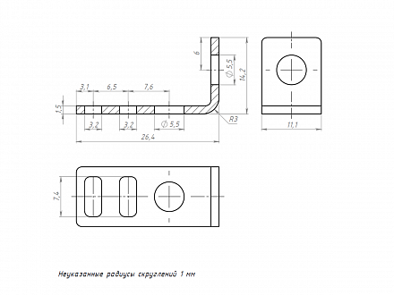
Уголок для крепления ремня, A604 Арт. A604

штука
технические характеристики
Паз: 6
Серия: 20
Масса: 0,0035 кг / шт
Материал: Сталь
Покрытие: Цинк

Описание товара

Кронштейн из мягкой стали, который позволяет надежно фиксировать и натягивать ремень GT2 на алюминиевом конструкционном профиле, V-образных или T-образных пазах. Ремень протягивается через две прорези и самоблокирующийся механизм, аналогичный механизму крепления рюкзака. Отверстие на стойке позволяет натянуть зажим и тем самым ремень. Нижнее отверстие предназначено для фиксации и фиксации зажима на профиле после натяжения ремня.