каталог товаров
СОБЕРИЗАВОД

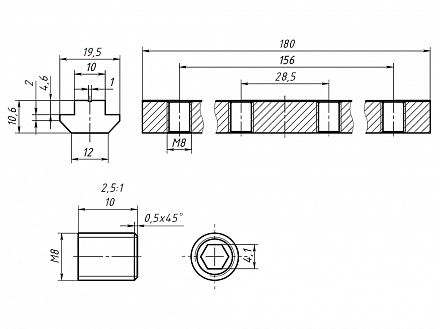
Линейный соединитель М8-180 мм, паз 10, C05 Арт. C05

штука
технические характеристики
Паз: 10
Серия: 40,45,50
Масса: 0,195 кг / шт
Материал: сталь оцинкованная

Описание товара

   Линейный соединитель с резьбой M8 используется для продольного соединения двух конструкционных алюминиевых профилей серии 45.