каталог товаров
СОБЕРИЗАВОД

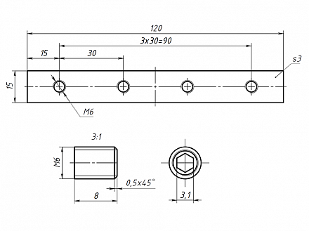
Линейный соединитель легкий 120 мм, паз 8, C09 Арт. C09

штука
технические характеристики
Паз: 8
Серия: 30
Масса: 0,065 кг / шт
Материал: сталь оцинкованная

Описание товара

   Линейный соединитель с резьбой M6 используется для продольного соединения двух конструкционных алюминиевых профилей серии 30.