каталог товаров
СОБЕРИЗАВОД

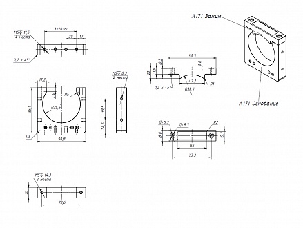
Кронштейн шпинделя 90х97, A171 Арт. A171

штука
технические характеристики
Масса: 0,26 кг / шт
Материал: алюминий
Покрытие: черное анодирование
Ширина: 90.75 мм
Диаметр: 71 мм
Толщина: 20 мм

Описание товара

Кронштейн используется для фиксации шпинделя, с помощью передней панели на болтовом креплении зажимаются фрезера Ø 71 мм, такие как Bosch Colt или Dewalt 611