каталог товаров
СОБЕРИЗАВОД

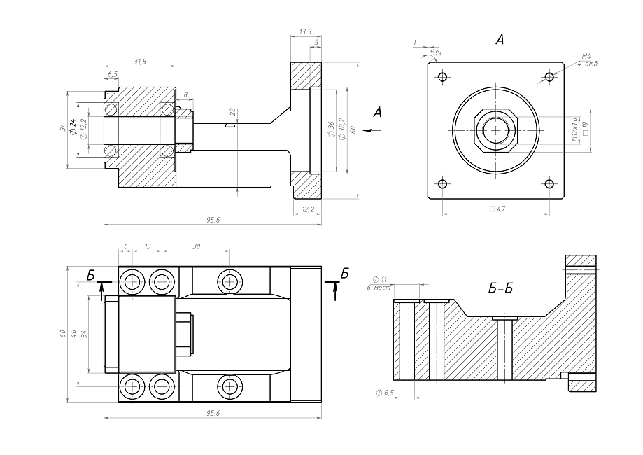
Угловое крепление для шагового двигателя HM-12, B661 Арт. B661

штука
технические характеристики
Типоразмер: Nema 23
Масса: 0.87 кг / шт
Материал: подшипниковая сталь

Описание товара

Угловое крепление для шагового двигателя HM-12 является надежным и многофункциональным инструментом, специально разработанным для обеспечения прочной фиксации шаговых двигателей Nema 23 на различных типах поверхностей и монтажных оснований. Этот крепеж изготавливается из высокопрочных материалов, что гарантирует его устойчивость к значительным нагрузкам без деформаций. Отверстия для винтов, предусмотренные в конструкции крепления, существенно упрощают установку двигателя и позволяют добиться идеального выравнивания в процессе монтажа.