каталог товаров
СОБЕРИЗАВОД

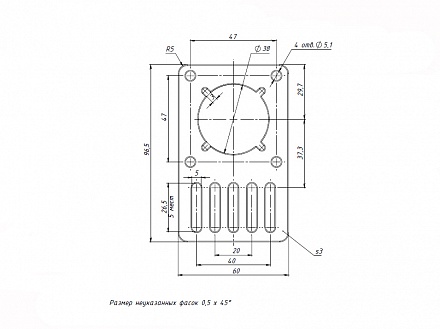
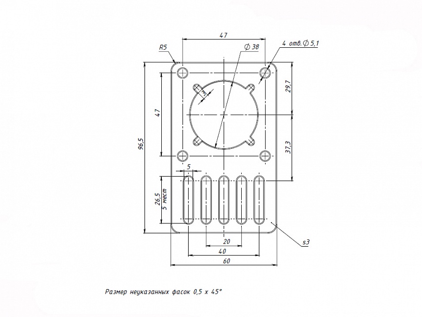
Пластина 96x60 двигателя Nema 23, A162 Арт. A162

штука
технические характеристики
Серия: 20
Типоразмер: Nema 23
Масса: 0,03 кг / шт
Материал: алюминий
Покрытие: черное анодирование
Ширина: 60 мм
Цвет: черный
Толщина: 3 мм

Описание товара

Пластина устанавливается для крепления шагового двигателя NEMA 23 на алюминиевом профиле 20-й серии.