каталог товаров
СОБЕРИЗАВОД

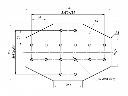
Х-соединитель 200х300, паз 10, X28 Арт. X28

штука
технические характеристики
Паз: 10
Серия: 50
Масса: 1,45 кг / шт
Материал: сталь 4 мм
Покрытие: порошковая окраска

Описание товара

   X-соединитель 200x300 предназначен для соединения алюминиевых конструкционных профилей серии 50 под углом 90 градусов.