каталог товаров
СОБЕРИЗАВОД

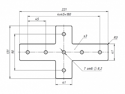
Х-соединитель 135х230В, паз 10, C59 Арт. C59

штука
технические характеристики
Паз: 10
Серия: 45
Масса: 0,292 кг / шт
Материал: сталь 3 мм
Покрытие: порошковая окраска

Описание товара

   X-соединитель 135x230B предназначен для соединения алюминиевых конструкционных профилей серии 45 под углом 90 градусов.