каталог товаров
СОБЕРИЗАВОД

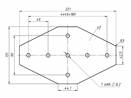
Х-соединитель 135х230, паз 10, A53 Арт. A53

штука
технические характеристики
Паз: 10
Серия: 45
Масса: 0,490 кг / шт
Материал: сталь 3 мм
Покрытие: порошковая окраска

Описание товара

   X-соединитель 135x230 предназначен для соединения алюминиевых конструкционных профилей серии 45 под углом 90 градусов.