каталог товаров
СОБЕРИЗАВОД

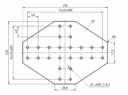
Х-соединитель 240х320, паз 10, A50 Арт. A50

штука
технические характеристики
Паз: 10
Серия: 40
Масса: 1,288 кг / шт
Материал: сталь 3 мм
Покрытие: порошковая окраска

Описание товара

   X-соединитель 240x320 предназначен для соединения алюминиевых конструкционных профилей серии 40 под углом 90 градусов.