каталог товаров
СОБЕРИЗАВОД

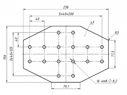
Х-соединитель 160х240, паз 10, E52 Арт. E52

штука
технические характеристики
Паз: 10
Серия: 40
Масса: 0,7 кг / шт
Материал: сталь 3 мм
Покрытие: порошковая окраска

Описание товара

   X-соединитель 160x240 предназначен для соединения алюминиевых конструкционных профилей серии 40 под углом 90 градусов.