каталог товаров
СОБЕРИЗАВОД

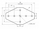
Х-соединитель 120х200, паз 10, D71 Арт. D71

штука
технические характеристики
Паз: 10
Серия: 40
Масса: 0,378 кг / шт
Материал: сталь 3 мм
Покрытие: порошковая окраска

Описание товара

   X-соединитель 120x200 предназначен для соединения алюминиевых конструкционных профилей серии 40 под углом 90 градусов.