каталог товаров
СОБЕРИЗАВОД

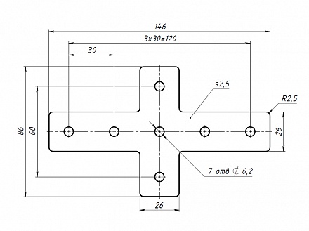
Х-соединитель 90х150В, паз 8, C49 Арт. C49

штука
технические характеристики
Паз: 8
Серия: 30
Масса: 0,124 кг / шт
Материал: сталь 2.5 мм
Покрытие: порошковая окраска

Описание товара

   X-соединитель 90x150B предназначен для соединения алюминиевых конструкционных профилей серии 30 под углом 90 градусов.