каталог товаров
СОБЕРИЗАВОД

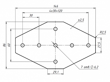
Х-соединитель 90х150, паз 8, C13 Арт. C13

штука
технические характеристики
Паз: 8
Серия: 30
Масса: 0,210 кг / шт
Материал: сталь 2.5 мм
Покрытие: порошковая окраска

Описание товара

   X-соединитель 90x150 предназначен для соединения алюминиевых конструкционных профилей серии 30 под углом 90 градусов.