каталог товаров
СОБЕРИЗАВОД

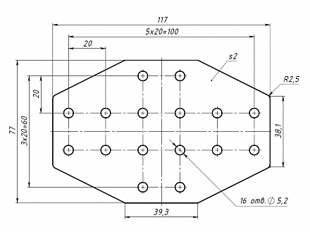
Х-соединитель 80х120, паз 6, L74 Арт. L74

штука
технические характеристики
Паз: 6
Серия: 20
Масса: 0,110 кг / шт
Материал: сталь 2 мм
Покрытие: порошковая окраска

Описание товара

   Х-соединитель 80x120 предназначен для крестообразного соединения алюминиевых конструкционных профилей серии 20 под углом 90 градусов.