каталог товаров
СОБЕРИЗАВОД

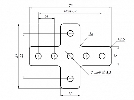
Х-соединитель 60х75В, паз 6, H18 Арт. H18

штука
технические характеристики
Паз: 6
Серия: 20
Масса: 0,026 кг / шт
Материал: сталь 2 мм
Покрытие: порошковая окраска

Описание товара

   Х-соединитель 60x75B предназначен для крестообразного соединения алюминиевых конструкционных профилей серии 20 под углом 90 градусов.