каталог товаров
СОБЕРИЗАВОД

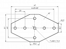
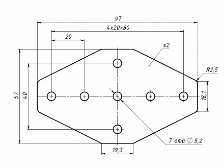
Х-соединитель 60х100, паз 6, L75 Арт. L75

штука
технические характеристики
Паз: 6
Серия: 20
Масса: 0,060 кг / шт
Материал: сталь 2 мм
Покрытие: порошковая окраска

Описание товара

   Х-соединитель 60x100 предназначен для крестообразного соединения алюминиевых конструкционных профилей серии 20 под углом 90 градусов.