каталог товаров
СОБЕРИЗАВОД

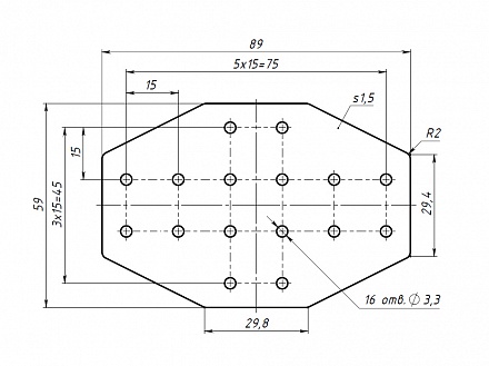
Х-соединитель 60 х 90, паз 3, S27 Арт. S27

штука
технические характеристики
Паз: 3
Серия: 15
Масса: 0,049 кг / шт
Материал: сталь 1.5 мм
Покрытие: порошковая окраска

Описание товара

   Х-соединитель 60х90 предназначен для крестообразного соединения алюминиевых конструкционных профилей серии 15 под углом 90 градусов.