каталог товаров
СОБЕРИЗАВОД

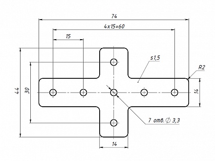
Х-соединитель 45 х 75В, паз 3, S26 Арт. S26

штука
технические характеристики
Паз: 3
Серия: 15
Масса: 0,016 кг / шт
Материал: сталь 1.5 мм
Покрытие: порошковая окраска

Описание товара

   Х-соединитель 45х55В предназначен для крестообразного соединения алюминиевых конструкционных профилей серии 15 под углом 90 градусов.