каталог товаров
СОБЕРИЗАВОД

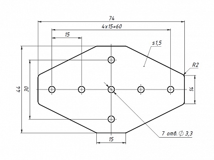
Х-соединитель 45 х 55, паз 3, S25 Арт. S25

штука
технические характеристики
Паз: 3
Серия: 15
Масса: 0,026 кг / шт
Материал: сталь 1.5 мм
Покрытие: порошковая окраска

Описание товара

   Х-соединитель 45x55 предназначен для крестообразного соединения алюминиевых конструкционных профилей серии 15 под углом 90 градусов.