каталог товаров
СОБЕРИЗАВОД

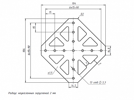
Х-соединитель 105 х 105, паз 3, S29 Арт. S29

штука
технические характеристики
Паз: 3
Серия: 15
Масса: 0,058 кг / шт
Материал: сталь 1.5 мм
Покрытие: порошковая окраска

Описание товара

   Х-соединитель 105х105 предназначен для крестообразного соединения алюминиевых конструкционных профилей серии 15 под углом 90 градусов.