каталог товаров
СОБЕРИЗАВОД

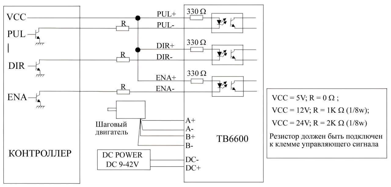
Драйвер шагового двигателя S109AFTG, B521 Арт. B521

штука
технические характеристики
Масса: 0,140 кг / шт
Входное напряжение: 9-42 VAC

Описание товара

Драйвер шагового двигателя S109AFTG, драйвер шагового двигателя S109AFTG предназначен для управления шаговыми двигателями. Он обеспечивает точное и плавное перемещение осей и может быть использован в различных конструкциях.