каталог товаров
СОБЕРИЗАВОД

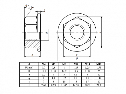
Гайка шестигранная с фланцем М6 DIN 6923, D49 Арт. D49

штука
технические характеристики
Масса: 0,003 кг / шт
Материал: углеродистая сталь
Покрытие: цинк
Стандарт: DIN 6923
Резьба: M6
Длина винта/высота гайки: 5 мм
Класс прочности: 10
Шаг: 1 мм

Описание товара

   Гайка с фланцем M6 является стандартным крепежным элементом для надежной фиксации соединений в модульной системе алюминиевых конструкционных станочных профилей.