каталог товаров
СОБЕРИЗАВОД

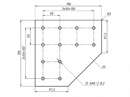
Г-соединитель 200 х200, паз 10, X21 Арт. X21

штука
технические характеристики
Паз: 10
Серия: 50
Масса: 1,008 кг / шт
Материал: сталь 4 мм
Покрытие: порошковая окраска

Описание товара

   Г-соединитель 200x200 предназначен для Г-соединения алюминиевых конструкционных профилей cерии 50 под углом 90 градусов.