каталог товаров
СОБЕРИЗАВОД

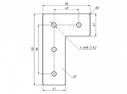
Г-соединитель 90х135В, паз 10, C46 Арт. C46

штука
технические характеристики
Паз: 10
Серия: 45
Масса: 0,160 кг / шт
Материал: сталь 3 мм
Покрытие: порошковая окраска

Описание товара

   Г-соединитель 90x135B предназначен для Г-соединения алюминиевых конструкционных профилей серии 45 под углом 90 градусов.