каталог товаров
СОБЕРИЗАВОД

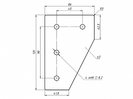
Г-соединитель 90х135, паз 10, C45 Арт. C45

штука
технические характеристики
Паз: 10
Серия: 45
Масса: 0,208 кг / шт
Материал: сталь 3 мм
Покрытие: порошковая окраска

Описание товара

Г-соединитель 90x135 предназначен для
Г-соединения алюминиевых конструкционных профилей серии 45 под углом 90 градусов.