каталог товаров
СОБЕРИЗАВОД

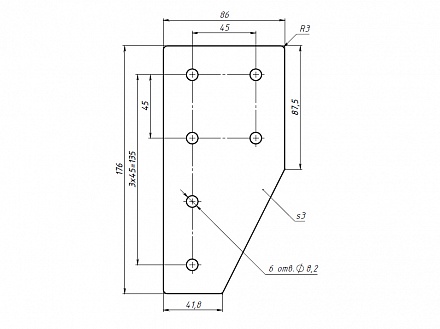
Г-соединитель 90 х180, паз 10, A28 Арт. A28

штука
технические характеристики
Паз: 10
Серия: 45
Масса: 0,306 кг / шт
Материал: сталь 3 мм
Покрытие: порошковая окраска

Описание товара

   Г-соединитель 90x180 предназначен для Г-соединения алюминиевых конструкционных профилей серии 45 под углом 90 градусов.