каталог товаров
СОБЕРИЗАВОД

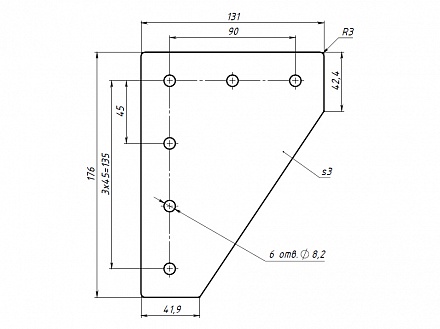
Г-соединитель 135х180, паз 10, C44 Арт. C44

штука
технические характеристики
Паз: 10
Серия: 45
Масса: 0,398 кг / шт
Материал: сталь 3 мм
Покрытие: порошковая окраска

Описание товара

   Г-соединитель 135x180 предназначен для Г-соединения алюминиевых конструкционных профилей seeNsee серии 45 под углом 90 градусов.