каталог товаров
СОБЕРИЗАВОД

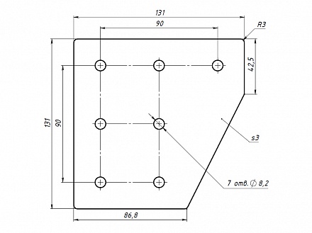
Г-соединитель 135х135, паз 10, C58 Арт. C58

штука
технические характеристики
Паз: 10
Серия: 45
Масса: 0,344 кг / шт
Материал: сталь 3 мм
Покрытие: порошковая окраска

Описание товара

   Г-соединитель 135x135 предназначен для Г-соединения алюминиевых конструкционных профилей серии 45 под углом 90 градусов.