каталог товаров
СОБЕРИЗАВОД

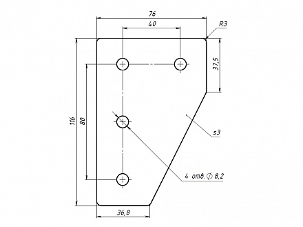
Г-соединитель 80х120, паз 10, C38 Арт. C38

штука
технические характеристики
Паз: 10
Серия: 40
Масса: 0,170 кг / шт
Материал: сталь 3 мм
Покрытие: порошковая окраска

Описание товара

   Г-соединитель 80x120 предназначен для Г-соединения алюминиевых конструкционных профилей серии 40 под углом 90 градусов.