каталог товаров
СОБЕРИЗАВОД

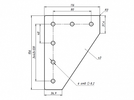
Г-соединитель 120х160, паз 10, C25 Арт. C25

штука
технические характеристики
Паз: 10
Серия: 40
Масса: 0,310 кг / шт
Материал: сталь 3 мм
Покрытие: порошковая окраска

Описание товара

   Г-соединитель 120x160 предназначен для Г-соединения алюминиевых конструкционных профилей серии 40 под углом 90 градусов.