каталог товаров
СОБЕРИЗАВОД

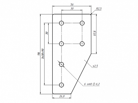
Г-соединитель 60х120, паз 8, C67 Арт. C67

штука
технические характеристики
Паз: 8
Серия: 30
Масса: 0,131 кг / шт
Материал: сталь 2.5 мм
Покрытие: порошковая окраска

Описание товара

   Г-соединитель 60х120 предназначен для Г-соединения алюминиевых конструкционных профилей серии 30 под углом 90 градусов.